破碎設備 采煤設備 磨礦設備 篩分設備 脫水設備 浮選設備 分級設備 重選設備 磁選設備 過濾設備 干燥設備 給料設備 除塵設備 濃縮設備 輸送設備 提升貯運設備 礦用鉆機及配件 礦山機械設備配件
|
|
|||||||||||||||||||
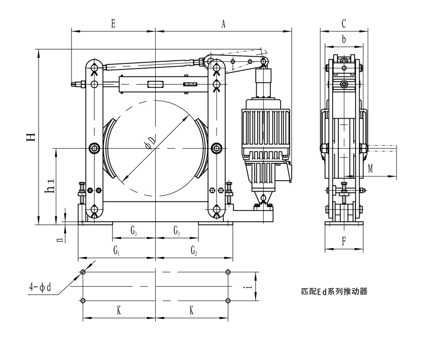
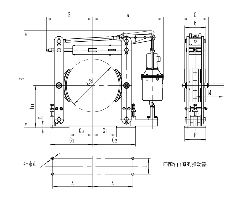
制動器安裝尺寸和制動力矩參數:符合JB/ZQ 標準,技術要求符合JB/T標準。
主要特點:主要擺動鉸點均安裝有自潤滑軸承,傳動效率高,使用中無需潤滑。制動襯墊安裝型式有兩種:鉚接式和插入式(訂貨時說明)。
使用條件:
環境溫度: -20℃-50℃;
空氣相對濕度不大于90%;
使用地點的海拔高度符合GB;
周圍工作環境中不得有易燃、易爆及腐蝕性氣體,否則應采用防腐型產品。



注:YWZ4系列制動器匹配Ed推動器,替代原YWZ4B)單位:(mm)
|
制動器型號 |
匹雖動器 |
制動 力矩 (Nm) |
退距 E |
A |
b |
C |
D |
d |
E |
F |
Gi |
G2 |
H |
hi |
i |
K |
M |
n |
G3 |
重量 (kg) |
|
YWZ4-100/E23 |
Ed23/5 |
40 |
0.6 |
320 |
70 |
160 |
100 |
13 |
130 |
75 |
125 |
125 |
377 |
100 |
40 |
110 |
144 |
6 |
50 |
21 |
|
YWZ4-100/E30 |
Ed30/5 |
100 |
340 |
70 |
442 |
24 |
||||||||||||||
|
YWZ4-150/E23 |
Ed23/5 |
100 |
0.6 |
347 |
90 |
160 |
150 |
17 |
175 |
100 |
170 |
170 |
437 |
140 |
60 |
150 |
144 |
8 |
70 |
25 |
|
YWZ4-150/E30 |
Ed30/5 |
120 |
461 |
29 |
||||||||||||||||
|
YWZ4-200/E23 |
Ed23/5 |
200 |
0.7 |
430 |
90 |
160 |
200 |
17 |
210 |
100 |
195 |
195 |
436 |
170 |
60 |
175 |
156 |
8 |
95 |
31 |
|
YWZ4-200/E30 |
Ed30/5 |
230 |
427 |
468 |
34 |
|||||||||||||||
|
YWZ4-300/E30 |
Ed30/5 |
320 |
0.7 |
487 |
140 |
160 |
300 |
22 |
290 |
130 |
275 |
275 |
595 |
240 |
80 |
250 |
213 |
10 |
125 |
65 |
|
YWZ4-300/E50 |
Ed50/6 |
630 |
529 |
190 |
78 |
|||||||||||||||
|
YWZ4-300/E80 |
Ed80/6 |
750 |
79 |
|||||||||||||||||
|
YWZ4-400/E50 |
Ed50/6 |
1000 |
0.8 |
664 |
180 |
220 |
400 |
22 |
370 |
180 |
350 |
350 |
750 |
320 |
130 |
325 |
275 |
12 |
190 |
128 |
|
YWZ4-400/E80 |
Ed80/6 |
1600 |
140 |
|||||||||||||||||
|
YWZ4-400/E121 |
Ed121/6 |
2000 |
653 |
240 |
764 |
155 |
||||||||||||||
|
YWZ4-500/E121 |
Ed121/6 |
2500 |
0.8 |
713 |
200 |
250 |
500 |
22 |
440 |
200 |
405 |
405 |
919 |
400 |
150 |
380 |
310 |
16 |
225 |
210 |
|
YWZ4-500/E201 |
Ed201/6 |
3600 |
||||||||||||||||||
|
YWZ4-600/E121 |
Ed121/6 |
3200 |
0.8 |
848 |
240 |
315 |
600 |
26 |
555 |
220 |
500 |
500 |
1095 |
475 |
170 |
475 |
400 |
18 |
250 |
390 |
|
YWZ4-600/E201 |
Ed201/6 |
5000 |
||||||||||||||||||
|
YWZ4-700/E201 |
Ed201/6 |
8000 |
0.8 |
978 |
280 |
390 |
700 |
34 |
600 |
270 |
575 |
575 |
1248 |
550 |
200 |
540 |
495 |
25 |
315 |
465 |
|
YWZ4-700/E301 |
Ed301/12 |
8650 |
1251 |
466 |
||||||||||||||||
|
YWZ4-800/E301 |
Ed301/12 |
12500 |
0.9 |
1115 |
320 |
436 |
800 |
34 |
680 |
320 |
677 |
677 |
1417 |
600 |
240 |
620 |
556 |
25 |
367 |
885 |
注:具體型號,結構外形尺寸保留更改的權利。
注:YWZ4系列制動器匹配YT1推動器,替代原YWZB)單位:(mm)
|
制動器型號 |
匹配推動器 |
制動力矩(nm)(nm) |
退距 E |
A |
b |
C |
D |
d |
E |
F |
G1 |
G2 |
H |
H1 |
i |
K |
M |
n |
G3 |
重量 (kg) |
|
YWZ4-100/18 |
YT1-18ZB/2 |
40 |
0.6 |
269 |
70 |
137 |
100 |
13 |
130 |
75 |
125 |
125 |
384 |
100 |
40 |
110 |
144 |
6 |
50 |
20 |
|
YWZ4-150/25 |
YT1-25ZB/4 |
100 |
0.6 |
307 |
90 |
154 |
150 |
17 |
175 |
100 |
170 |
170 |
437 |
140 |
60 |
150 |
144 |
8 |
70 |
26 |
|
YWZ4-200/25 |
YT1-25ZB/4 |
200 |
0.7 |
347 |
90 |
154 |
200 |
17 |
210 |
100 |
195 |
195 |
437 |
170 |
60 |
175 |
156 |
8 |
95 |
30 |
|
YWZ4-300/25 |
YT1-25ZC/4 |
320 |
0.7 |
447 |
140 |
160 |
300 |
22 |
290 |
130 |
275 |
275 |
590 |
240 |
80 |
250 |
210 |
10 |
125 |
63 |
|
YWZ4-300/45 |
YT1-45Z/6 |
630 |
459 |
178 |
70 |
|||||||||||||||
|
YWZ4-400/45 |
YT1-45Z/6 |
1000 |
0.8 |
564 |
180 |
220 |
400 |
22 |
370 |
180 |
350 |
350 |
750 |
320 |
130 |
325 |
275 |
12 |
190 |
120 |
|
YWZ4-400/90 |
YT1-90Z/8 |
1600 |
580 |
130 |
||||||||||||||||
|
YWZ4-400/125 |
YT1-125Z/10 |
2200 |
632 |
254 |
847 |
279 |
167 |
|||||||||||||
|
YWZ4-500/90 |
YT1-90Z/8 |
2500 |
0.8 |
670 |
200 |
250 |
500 |
22 |
440 |
200 |
405 |
405 |
919 |
400 |
150 |
380 |
310 |
16 |
225 |
210 |
|
YWZ4-500/125 |
YT1-125Z/10 |
2650 |
692 |
254 |
940 |
220 |
||||||||||||||
|
YWZ4-500/180 |
YT1-180Z/10 |
3000 |
946 |
235 |
||||||||||||||||
|
YWZ4-600/90 |
YT1-90Z/8 |
3200 |
0.8 |
805 |
240 |
315 |
600 |
26 |
555 |
220 |
500 |
500 |
1087 |
475 |
170 |
475 |
400 |
18 |
250 |
400 |
|
YWZ4-600/180 |
YT1-180Z/12 |
5000 |
827 |
1095 |
430 |
|||||||||||||||
|
YWZ4-700/180 |
YT1-180Z/12 |
8000 |
0.8 |
957 |
280 |
390 |
700 |
34 |
600 |
270 |
575 |
575 |
1248 |
550 |
200 |
540 |
495 |
25 |
315 |
500 |
|
YWZ4-800/180 |
YT1-180Z/12 |
10000 |
0.9 |
1094 |
320 |
436 |
800 |
34 |
680 |
320 |
677 |
677 |
1389 |
600 |
240 |
620 |
556 |
25 |
367 |
720 |
|
YWZ4-800/320 |
YT1-320Z/12 |
12500 |
1155 |
885 |
注:具體型號,結構外形尺寸保留更改的權利。
僅需1分鐘,輕松獲報價
留言后將以郵件、短信等方式通知工作人員,3分鐘內將電話與您聯系,請保持電話暢通
小不過我們的服務細致入微
大不抵我們的服務面面俱到
真誠服務贏得萬千信任
您可能感興趣的產品
免責聲明:所展示的信息由會員自行提供,內容的真實性、準確性和合法性由發布會員負責,全球起重機械網對此不承擔任何責任。全球起重機械網不涉及用戶間因交易而產生的法律關系及法律糾紛,糾紛由您自行協商解決。
侵權投訴電話:0371-63739697,接到來電后我們會第一時間查清事實并處理,在您的合法權益收到侵害時,我們將竭誠為您服務,感謝您對全球起重機械風的關注與支持!

官方公眾號
運營單位:河南九通科技有限公司 公司地址:河南省鄭州市經三路鑫苑金融廣場銀座7樓
廣告投放/會員辦理:18237318012 客服熱線:18237318012
全球起重機械網(1999-) 版權所有 本站網絡實名:全球起重機械網 備案號:豫ICP備10205603號-7 公安備案號:41910502000059
手機版|
關注公眾號|

掃碼手機店鋪