BN系列電磁制動器,YEJ剎車失電電磁制動器 BN-06/ BN-08/ BN-10/ BN-12/ BN-14/ BN-16/ BN-18
一、用途
該系列電磁失電制動器為通電電磁吸合,斷電摩擦制動式制動器。主要與Y系列電動機配套生成一種新型的YEJ系列電磁制動三相異步電動機。廣泛用于冶金、建筑、化工、食品、機床、包裝等機械中,實現快速停車和準確定位,可用在斷電時安全(防險)制動等場合。
二、特點
這種制動器具有結構緊湊、安裝方便、適用性廣、噪音低、工作頻次高、動作靈敏、制動可靠等優點,是工業現代化中一種理想的自動化執行元件。
三、工作原理及安裝維護
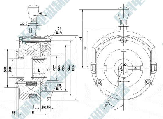
電磁失電制動器主要由勵磁部份(磁軛、線圈、彈簧、銜鐵)、制動盤、花鍵套等主要零部件組成。勵磁部份通過安裝螺釘安裝在機座上,旋合安裝螺釘調整氣隙至規定值δ后,反向旋出空心螺栓,頂緊勵磁部份。花健套通過鍵與傳動軸相連;制動盤與花健套通過花鍵嚙合。當線圈斷電時,在彈簧的作用下,制動盤與銜鐵、機座端面(或制動板)產生摩擦力,通過花鍵套傳給傳動軸使軸制動。當線圈2通電后,在電磁力作用下,銜鐵被吸向磁軛,使制動盤松開,傳動軸制動解除。(設備檢修停電時,可通過軸向扳動手動釋放機構,使制動解除。)
安裝前應將摩擦副表面油污、雜物清除干凈。
四 、技術參數及安裝尺寸表
| 型號 | 額定力矩 M[N.m]1) |
額定功率 P20℃[W] |
輸入電壓 UDC[V]2) |
響應時間 3) | 最大間隙 δmax[mm]4) |
參考電機 [YEJ] |
|
| 制動時間T2[ms] | 釋放時間T1[ms] | ||||||
| 06 | 4 | 20 | 24/190 | 30 | 49 | 0.5 | 63/71 |
| 08 | 8 | 29 | 24/190 | 35 | 63 | 0.6 | 80 |
| 10 | 16 | 35 | 24/190 | 50 | 78 | 0.6 | 90 |
| 12 | 32 | 45 | 24/190 | 60 | 115 | 1.0 | 100 |
| 14 | 60 | 55 | 24/190 | 42 | 215 | 1.1 | 112 |
| 16 | 80 | 65 | 24/190 | 57 | 225 | 1.4 | 132 |
| 18 | 150 | 95 | 24/190 | 89 | 275 | 1.4 | 160 |
注:
1)制動力矩根據要求可適當加大,需訂制。
2)工作電壓可根據要求訂制,可配套半波、全波整流器,24V電源自備。
3)制動時間是指直流開關在正常間隙和正常工況下的制動器響應時間,其很大程度上取決于間隙及其調整方法,交流開關制動時間約比直流開關高6—8倍。
4)δmax最大工作氣隙,超過后及時進行調整,否則可能造成制動器工作不正常。

| 型號 | d | D1 | D2 | D3 | D4 | D5 | D6 | D7 | D8 | D9 | D10 | b | h | L | L1 | H | H1 | H2 | H3 | H4 | H5 | H6 | δ | α |
| 06 | 12 | 3×M4 | 72 | 3×4.5 | 60 | 39 | 87 | 31 | 24 | 52 | 10 | 4 | 13.8 | 18 | 3 | 37.2 | 3~5 | 10 | 6 | 110 | 52 | 18 | 0.2 | 25 |
| 08 | 19.8 | 3×M5 | 90 | 3×5.5 | 75 | 45 | 105 | 41 | 26 | 60 | 10 | 5 | 16.2 | 20 | 3 | 45.2 | 3~5 | 10 | 7 | 120 | 63 | 22 | 0.2 | 25 |
| 10 | 24.8 | 3×M6 | 112 | 3×6.6 | 95 | 60 | 130 | 45 | 33 | 68 | 10 | 8 | 28.1 | 25 | 4 | 52.2 | 4~7 | 13 | 9 | 141 | 82 | 24 | 0.2 | 25 |
| 12 | 29.5 | 3×M6 | 132 | 3×6.6 | 115 | 75 | 150 | 52 | 40 | 83 | 10 | 8 | 32.8 | 30 | 4 | 58.8 | 4~9 | 14 | 9 | 169 | 92 | 24 | 0.3 | 25 |
| 14 | 29.5 | 3×M8 | 145 | 3×9 | 124 | 75 | 167 | 55 | 48 | 92 | 12 | 8 | 32.8 | 30 | 4 | 70.3 | 5~11 | 14 | 11 | 189 | 102 | 24 | 0.3 | 25 |
| 16 | 39.5 | 4×M8 | 170 | 3×9 | 150 | 104 | 190 | 70 | 56 | 102 | 12 | 12 | 42.8 | 30 | 4.5 | 78.3 | 5~11 | 16 | 11 | 234 | 115 | 27 | 0.3 | 25 |
| 18 | 44.5 | 6×M8 | 196 | 4×9 | 175 | 107 | 217 | 77 | 64 | 116 | 12 | 12 | 47.8 | 35 | 4.5 | 89.4 | 6~13 | 17 | 11 | 250 | 133 | 32 | 0.4 | 15 |
注:
1)可訂制小于表列尺寸的安裝軸孔。
2)安裝標準氣隙。
3)力矩可調型和力矩不可調型,可根據要求選型。
4)安裝板(法蘭)、防塵罩可根據要求選配。
5)可訂制應用于舞臺專用制動器,靜音外理,亦可訂制雙倍制動。

1-釋放手柄 2-防塵罩 3-安裝螺釘 4-空心螺栓 5-銜鐵 6-制動盤7-齒輪套 8-調節螺母 9-彈簧 10-磁軛組件 11-安裝板
屬常閉型設計,即無電流通過時處于制動狀態,彈簧壓力→摩擦力→制動力矩,為干式摩擦;當接通直流電時,制動器即釋放。
力矩調節是通過調節螺母3來完成,力矩不可調制動器無此件。
五、注意事項
1、摩擦片屬于易損件。磨損后,氣隙增大,當超過制動器最大允許氣隙時,應進行重新調整,否則影響正常工作,甚至損壞制動器和電機。
2、當頻繁運轉、制動時,應定期檢查緊固件有無松動,如有松動,應重新調整旋緊后再使用。
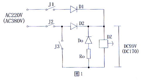
六、控制線路
制動器線圈工作電壓常規為直流24V和190V兩種。本廠有專為制動器配套的ZL、ZL1型整流電源,具有輸入輸出保護線路,體積小、工作可靠,整體密封,可直接安裝于電機的接線盒內,接線方式詳見ZL整流電源接線圖。


步驟一、安裝齒輪套內擋圈。 Step1: Install the gear snap ring

步驟二、安裝平鍵。Step2: Install the flat key

步驟三、安裝齒輪套。Step3: Install the gear hub

步驟四、安裝齒輪套外擋圈,保證齒輪套無軸向竄動。
Step4: Install the gear hub of outer snap ring to ensure the gear sleeve without axial movement.

步驟五、安裝制動盤組件,保證其在齒輪套上軸向滑動順暢.
Step5: Install the brake disc,ensure its axial sliding **oothly on the gear sleeve.

步驟六、安裝磁軛組件,用安裝螺釘將磁軛組件安裝在電機端蓋上。
Step6: Install the magnetic yoke,use the mounting screw to fix it on the motor side hood.

步驟七、調整氣隙。
1,將所有的空心螺栓旋入磁軛組件,使空心螺栓與電機端蓋留有1-2mm左右間距。
2,將等于正常工作氣隙的塞尺插入制動器的銜鐵和磁軛組件之間,塞尺位置盡量靠近安裝螺釘,適量旋緊安裝螺釘夾住塞尺,以塞尺能自由地從銜鐵與磁軛組件之間的氣隙中插入抽出為宜。
3,其余的安裝螺釘處重復步驟2調整,并保證圓周方向氣隙均勻。調整氣隙完畢
Step7: Adjust the air gap:
1.Screw all hollow bolts into the magnetic yoke,make it with the motor side hood 1-2mm distance.
2.Insert the rated value feeler gauge between the armature and magnetic yoke,let the feeler gauge closer to the mounting screw,keep them at rated air gap value.
3.As same as this way,screw all mounting screws,adjust the air gap.

步驟八、鎖緊空心螺栓。
1,調整氣隙完畢后,將所有的空心螺栓鎖緊在電機端蓋上。
2,用塞尺測量制動器氣隙,當氣隙不正確或不均勻時需重新調整,按步驟七方法在相應氣隙不正確的安裝螺釘處逐一調整,直至達到標準值為止。
Step8: Fix the hollow bolt tightly:
1.After the air gap adjustment,lock the hollow bolt on the motor side hood tightly.
2.Use the feeler gauge to measure the air gap and make sure it in rated value.

步驟九、安裝散熱風扇。
Step9: Install the cooling fan.

步驟十、安裝風扇擋圈。
Step10: Install the fan snap ring.

步驟十一、安裝電機風罩。
Step11: Install the motor wind shield.

步驟十二、安裝釋放手柄。
Step12: Install the manual release lever.
注意事項
1.摩擦片屬磨損件,磨損后,氣隙將增大,當其超過最大允許值時,應進行重新調整,否則會影響正常工作,甚至損壞制動器和電機。
2.當設備工作頻繁,制動時,應定期檢查其安裝螺釘有無松動,如有松動,應重新調整旋緊后再使用。
3.如安裝后,使用時有異常情況,應檢查安裝方式,按說明書進行調整。


